
Intel
®
Solid-State Drive 310 Series
February 2011 Product Specification
Order Number: 324042-007US 11
Intel
®
Solid-State Drive 310 Series
4.0 Mechanical Information
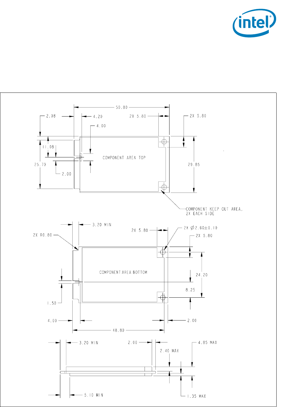
Figure 2 shows the physical dimension of the Intel SSD 310 Series. All dimensions are
in millimeters.
Figure 2. Intel SSD 310 Dimensions
Kommentare zu diesen Handbüchern