
PENTIUM® III XEON™ PROCESSOR AT 600 MHz to 1 GHz with 256KB L2 Cache
PROCESSOR FEATURES
R
10K
1/16W
5%
R
10K
1/16W
5%
R
10K
1/16W
5%
R
10K
1/16W
5%
R
10K
1/16W
5%
SDA
SCL
SA1
Core
A2D
Vcc
SC
SDA1
A0
Stby
C
A
ALERT#
SMBALERT
SA2
SMB_V
INTEL
EEPROM
SC
WP
SD
A0
A1
A2
Vcc
OEM
EEPROM
SC
WP
SD
A0
A1
A2
Vcc
R
10K
1/16W
5%
R
10K
1/16W
5%
R
10K
1/16W
5%
SA0
R
10K
1/16W
5%
R
10K
1/16W
5%
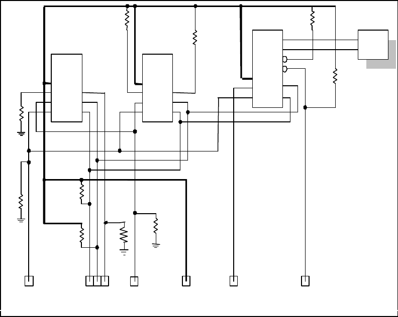
Figure 16. Logical
1
Schematic of SMBus Circuitry
NOTES:
1. Actual implementation may vary. For use in general understanding of the architecture.
5.2.1 PROCESSOR INFORMATION ROM
The Pentium® III Xeon™ processor at 600 MHz+ implements previously defined fields in the processor
information ROM (PI-ROM) to allow visibility of core and On Cartridge Voltage Regulation (OCVR) voltage
requirements. These features are present in SC330 products, but are used in a different way in the Pentium III
Xeon processor at 600 MHz+. The Pentium III Xeon processor at 600 MHz+ implements the OCVR device.
This provides the flexibility to accommodate products with voltage input of 2.8V for one product version and
5V or 12V for a different product version. The 2.8V or 5V version is indicated in the PI-ROM “OCVR option 1
Input Voltage ID” field, while the 12V version is indicated in the “OCVR option 2 Input Voltage ID” PI-ROM
field.
The implementation of the PI-ROM in Pentium III Xeon processor at 600 MHz+ allows software to view the
desired voltage outputs of the power source (VRM or Power Supply) feeding the OCVR and of the OCVR
itself. Software could compare those values to actual power source/OCVR outputs (using an A/D converter),
and determine if the power source and OCVR are operating correctly. The implementation of the PI-ROM
gives system designers a means of determining the proper OCVR Output Voltage requirements. Without
these fields, the baseboard has no way of determining the OCVR Output Voltage requirements.
The fields defined for the Pentium III Xeon processor at 600 MHz+ coincide as closely as possible with those
for the Pentium III Xeon processor. The meaningless (for Pentium III Xeon processor at 600 MHz+) “L2 Cache
Voltage” field is replaced with a more useful “OCVR Output” field. The Pentium III Xeon processor at 600
MHz+ (SC330.1) has a pin defined (A56, “VIN_SENSE”) that allows the baseboard to directly measure the
actual OCVR input voltage and pin (B83, “AN_CORE_VSENSE”) that is an analog representation of the
voltage at the OCVR output. This voltage can be compared with the desired voltage (indicated by the PIR
field) to determine if the OCVR input / output voltage is varying from desired levels.
Kommentare zu diesen Handbüchern