
PENTIUM® III XEON™ PROCESSOR AT 600 MHz to 1 GHz with 256KB L2 Cache
MECHANICAL SPECIFICATIONS
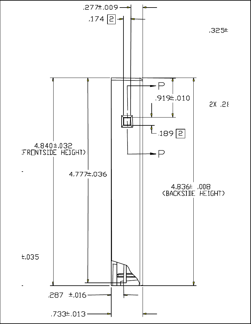
Figure 25. SEC Cartridge Retention Enabling Details
1. Maximum protrusions of the mechanical heat sink attach media into cartridge during assembly or in an
installed condition not to exceed 0.160” from external face of thermal plate.
2. Specified cover retention indent dimension is at the external end of the indent. Indent walls have 1.0-
degree draft, with the wider section on the external end.
3. Clip extension on internal surface of retention slots should be as little as possible and not to exceed
0.040”.
12. Tapped holes for cooling solution attach. Max torque recommendation for a screw in tapped hole is 8±1
inch-lb.
Kommentare zu diesen Handbüchern